- Registriert
- 5.1.2021
- Beiträge
- 5.815
- Reaktionen
- 179.733
- Checks
- 101
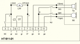
das wirkt a bissl zach - ausser Du hast die Beschreibung der Alten noch?Hilfe!!! Bitte
Hab endlich ein neues Teil für die Gegensprechanlage gekauft.
Aber welcher Draht gehört wo rein?
Beim Alten steht was von
1 2 6 9 CA -Nr. 10 ist leer.
Beim Neuen
MASA RING SPK MIC SW1 SW2.
Was ist jetzt was????
Anhang anzeigen 9970562
Anhang anzeigen 9970563
kannst fast nur ausprobieren, mit jemand zweitem der unten steht
MASA RING SPK MIC
ist klar -
1 2 6 9 CA weniger

